
Воздухосборник В-3,2 м3 (ресивер воздушный)
3,2 м3
От -60 до 200 °C
сталь 09Г2С по ГОСТ 5520
до 1,4 МПа
УХЛ1
Воздух
до 9 баллов
20 лет
ООО "НПО "Спецнефтемаш"
Типоразмеры в наличии:
Воздухосборники серии В предназначены для создания запаса воздуха для технологических нужд и сглаживания пульсации в воздухопроводах при работе поршневых компрессоров общего назначения и компрессоров других типов с рабочими давлениями: 0,8; 1,0; 1,4 МПа (8, 10, 14 кгс/см2).
Воздухосборники по согласованию с разработчиком технических условий могут использоваться в качестве ресиверов и сосудов для хранения азота, аргона и других инертных газов.
Гарантийный срок эксплуатации - не менее 12 месяцев со дня ввода сосуда в эксплуатацию, но не более 18 месяцев после отгрузки с предприятия изготовителя. Примерный срок службы 20 лет.
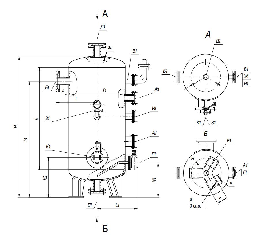
Основные параметры и размеры
| Давление расчетное, МПа (кгс/см2) | D | S* | Sд* | H | h | h1 | h2 | h3 | L | L1 | R | a | в | d | Масса, кг |
| 0,9 (9,0) | 1200 | 8 | 8 | 3160 | 2300 | 2500 | 1000 | 1250 | 720 | 760 | 550 | 160 | 130 | 24 | 1195 |
| 1,1 (11,0) | 8 | 8 | |||||||||||||
| 1,54 (15,4) | 10 | 10 | 1420 |
Назначение и условные диаметры штуцеров
| Обозначение | Наименование | Условный димаетр |
| А1 | Вход воздуха | 200 |
| Б1 | Выход воздуха | 200 |
| В1 | Для предохранительного клапана | 50 |
| Количество | 1 | |
| Г1 | Слив конденсата | 50 |
| Д1 | Воздушник | 50 |
| Е1 | Дренаж | 50 |
| Ж1 | К регулятору производительности | 50 |
| З1 | Для манометра | 50 |
| И1 | К манометру в машинное отделение | 50 |
| К1 | Люк | 450 |
Примечание:
- На воздухосборниках объемом 3,2 м3 предохранительный клапан устанавливается на штуцер Д1. Предохранительный клапан с Ду25 устанавливается через его переходник.
- При установке нескольких предохранительных клапанов штуцера для них должны располагаться на одной высоте на расстоянии, исключающем взаимовлияние отверстий.
Материальное исполнение
| Допустимая минимальная температура стенки под давлением, °C | Рабочее давление, МПа | Шифр материального исполнения | Листовая сталь |
| Минус 20 | 0,8 | 1 | Ст3сп, Ст3пс, Ст3Гпс категорий 4 и 5 ГОСТ 380, ГОСТ 14657 |
| 1,0 | |||
| 1,4 | |||
| Минус 40 | 0,8 | 2 | 16ГС, 09Г2С, 10Г2С1 категории 6 и 12 ГОСТ 5520 |
| 1,0 | |||
| 1,4 | |||
| Минус 60 | 0,8 | 3 | 09Г2С, 10Г2С1 категории 8 ГОСТ 5520 |
| 1,0 | |||
| 1,4 |
Требования к сейсмичности площадки строительства
Благодаря передовым технологиям производства, резервуарное и емкостное оборудование ООО НПО "Спецнефтемаш" способно выдерживать сейсмические воздействия вплоть до 9 баллов по шкале MSK-64. Проведенные в сентябре 2017 года испытания подтвердили это на практике, в результате чего был получен Сертификат Соответствия требованиям нормативных документов ГОСТ 30546.1-98, ГОСТ 30546.2-98, ГОСТ 30546.3-98.
Таким образом, если вам необходимо качественное резервуарное или емкостное оборудование при строительстве объектов нефте-газовой промышленности в сейсмически активных районах, ООО НПО "СпецНефтеМаш" готов удовлетворить ваш спрос.
Пример условного обозначения
Воздухосборник В-4-0,8-3-УХЛ1, ТУ 3615-004-00220322-98 (0262.361590.004 ТУ), где
В - тип воздухосборника,
4 - номинальный объем,
0,8 - рабочее давление,
3 - номер материального исполнения,
УХЛ1 - климатическое исполнение.
Информация для Заказчиков
Чтобы заказать и купить воздухосборник В-3,2 м3 (ресивер воздушный) в Улан-Удэ, Вы можете связаться со специалистами ООО "НПО "Спецнефтемаш":
- по электронной почте marketing@snmash.ru
- по телефону 8-800-3021-565