Резервуар для СУГ (газгольдер) 4,2 м3
4,2 м3
От -60 до 50 °C
сталь 09Г2С, 12Х18Н10Т
1,6 МПа
УХЛ1
СУГ
до 9 баллов
20 лет
ООО "НПО "Спецнефтемаш"
Типоразмеры в наличии:
Сжиженный углеродный газ – коротко СУГ – должен храниться строго по регламенту: температурный диапазон от 50 градусов тепла до 60 градусов мороза, предельное давление системы – 1,6 МПа, полная герметичность хранилища. Учитывая степень риска, которой сопровождается нарушение любого из условий содержания СУГ, важно выдвигать самые жесткие требования к сосудам для его хранения.
ООО "НПО "Спецнефтемаш" много лет занимается изготовлением специальных резервуаров для содержания, эксплуатации, хранения сжиженных газов. Мы предлагаем качественное долговечное проверенное оборудование по оптимальной стоимости – цене от производителя.
Емкости для сжиженного газа называются газгольдеры. Представляют собой цилиндр горизонтального расположения с овальными днищами. В случае с сосудами под сжиженный газ 4,2 – это резервуары безопасного хранения газов вместимостью 4,2 куб. м.
Мы производим такие конструкции в трех вариантах:
- Наземное
- Подземное
- Двустенное
Подземное исполнение
Подземные резервуары для СУГ 4,2 куб. м являются более экологичными/безопасными, чем наземные, благодаря их заглублению. Но безопасность определяет повышенные требования к самой конструкции газгольдера.
Будучи в непосредственном контакте с подземными почвами, он требует дополнительной гидроизоляции. Поземная емкость для СУГ 4,2 нашего производства может быть изолирована:
- усиленными битумными мастиками;
- составами на основе эпоксидных смол, другими проверенными гидроизоляторами.
Конструктивно система газгольдера состоит из цилиндрического тела, герметично закрытого с двух сторон днищами, горловин верхней части, отопительного оборудования, если оно требуется. Емкости для СУГ производства ООО "НПО "Спецнефтемаш" рассчитаны на применение в любых климатических условиях. По вашей заявке мы оборудуем систему качественной теплоизоляцией с целью эксплуатации в особо холодных регионах.
Наземное исполнение
Конструкция наземных сосудов-газгольдеров повторяет устройство подземных аналогов и тоже может оснащаться горловинами под штуцеры в верхней части. Крепление цилиндра на земле у данных резервуаров реализуется двумя способами:
- опоры-лапы;
- стойки.
Система установки выбирается индивидуально, зависит от типа грунта в зоне эксплуатации емкости для СУГ. Наши изделия могут дополнительно оснащаться измерительной техникой контроля состояния содержимого: уровнемерами, клапанами доступа, манометрами и т. д.
Двустенное исполнение
Конструкция двустенной емкости под сжиженный газ повторяет устройство термоса с оговоркой. Это система «цилиндр в цилиндре», только пространство между стенками внутреннего и внешнего сосуда заполнено не вакуумом, а инертным газом или охлаждающей жидкостью. Такая мера позволяет быстро обнаружить и устранить случаи разгерметизации внутренней конструкции.
Двустенный резервуар для СУГ – самый безопасный, потому применяется в условиях повышенной угрозы взрыва, возгораний. Благодаря устройству «один в другом» авария на объектах с таким оборудованием практически исключена. Утечка газа при разгерметизации внутреннего сосуда произойдет только внутри второго.
Технические характеристики
| Характеристики | СУГ-4,2 |
| Рабочий продукт | сжиженный углеводородный газ, пропан-бутан или другие газы с упругостью паров не более, чем упропана |
| Номинальный объем, м3 | 4,2 |
| Уровень налива, % | 85 |
| Полезный объем, м3 | 3,6 |
| Способ размещения | наземный, подземный |
| Конструктивное исполнение | одностенные, двустенные |
| Днища | эллиптические |
| Давление рабочее, МПа | 1,6 |
| Давление расчетное, МПа | 1,8 |
| Давление пробное гидравлическое, МПа | 2,03 |
| Температура эксплуатации, ºС | -40...+45 |
| Основной материал | сталь 09Г2С |
| Толщина стали | 10-22 мм |
| Группа аппарата по ОСТ 26-291-94 | 1 |
| Класс опасности по ГОСТ 12.1.007-76 | 4 |
| Пожароопасность по ГОСТ 12.1.004-91 | да |
| Категория и группа взрывоопасности по ГОСТ 12.1.001-78 | IIa-Т3 |
| Антикоррозионная защита внешней поверхности подземных сосудов | антикоррозионная защита весьма усиленного типа оп ГОСТ 9.602-2005 "Сооружения подземные. Общие требования к защите от коррозии" |
| Установленный срок службы, лет | 20 |
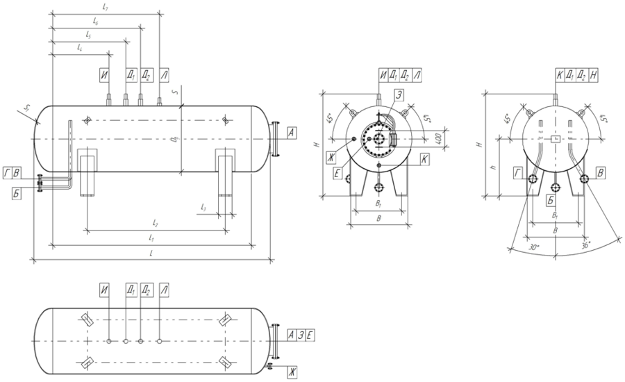
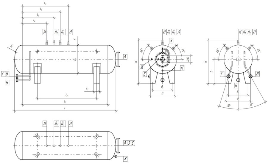
Габаритные размеры
| Наземное исполнение | Подземное исполнение | ||||||||
| D, мм | L, мм | H, мм | Масса, кг (одност.) | Масса, кг (двуст.) | D, мм | L, мм | H, мм | Масса, кг (одност.) | Масса, кг (двуст.) |
| 1600 | 2360 | 1190 | 1600 | 2100 | 1600 | 2360 | 2450 | 1400 | 2150 |
Таблица штуцеров
| Обозначение | Назначение | Ду, мм | Ру, МПа |
| А | штуцер наполнения | 32 | 2,5 |
| Б | штуцер отбора жидкой фазы | 20 | 2,5 |
| В | штуцер отбора газовой фазы | 20 | 2,5 |
| Г | штуцер уровнемера | 32 | 2,5 |
| Д | штуцер предохранительного клапана | 50 | 2,5 |
| Е | штуцер уравнительный паровой фазы | 50 | 2,5 |
| Ж | штуцер резервный | 50 | 2,5 |
| З | люк | 475 | 2,5 |
Требования к сейсмичности площадки строительства
Емкость для газа производства нашего завода протестирована на устойчивость к разгерметизации при воздействии сейсмического волнового поля. Испытания проведены в сентябре 2017 года, и наглядно подтвердили, что применяемые технологии позволяют добиться исключительной надежности конструкций. Оборудование выдерживает без повреждений воздействия вплоть до 9 баллов по шкале интенсивности землетрясений (MSK64, Медведева-Шпонхойера-Карника).
Наша емкость для хранения газа соответствует самым строгим стандартам:
- ГОСТ 30546.3–98;
- ГОСТ 30546.1–98;
- ГОСТ 30546.2–98.
Это подтверждено сертификатом соответствия. Данный документ – высшая гарантия безопасной эксплуатации конструкций ООО "НПО "Спецнефтемаш" на площадках нефтегазопереработки, расположенных в сейсмически активных районах.
Заказать газгольдеры FAS 4.2 м3
Для хранения сжиженного газа в России традиционно используются зарубежные резервуары. Но в данный момент поставки европейских газгольдеров осложнены. Исходя из этого, компания ООО "НПО "Спецнефтемаш" начала производить аналоги емкостей FAS с марта 2022 года. Чтобы купить газгольдер FAS 4.2 м3, заполните форму внизу страницы, либо свяжитесь с отделом продаж.
Информация для Заказчиков
Мы занимаемся изготовлением емкостей для хранения СУГ, доставляем свои конструкции по городу, области, в регионы. Работаем как по стандартным, так и по индивидуальным проектам. Располагаем всем необходимым, чтобы разработать техническую документацию и изготовить оборудование нестандартных габаритов.
У нас вы можете заказать:
- Емкость любой конструкции: подземного/наземного размещения, двустенный газгольдер.
- Изделия заданных габаритов для монтажа в зонах ограниченного доступа.
- Емкости, оснащенные дополнительными опциями (технологическая комплектация).
- Газгольдер с антикоррозионной обработкой.
- Гидро- и теплоизолированные сосуды.
Выбирайте профессионала и получите все выгоды от сотрудничества с производителем: цену без накруток, полное документальное сопровождение, квалифицированную консультацию по выбору, комплектации систем, удобные условия /доставки. Чтобы получить любую дополнительную информацию или оформить заказ, пишите нам на почту (marketing@snmash.ru) или звоните по номеру 8–800–3021–565.

